Установка новых конфорок
Чаще всего список инструментов для работы невелик:
- плоская, шестигранная и фигурная отвёртки;
- кусачки и пассатижи;
- мультиметр;
- паяльник.
- пинцет (когда намечается мелкая работа).
Расходные материалы:
- припой и канифоль для паяльных работ;
- изолента (желательно негорючая).
Кроме этого, конечно же, приобретите ТЭН, максимально похожий на тот, который только что сгорел. То же самое относится к выключателям или переключателям. А вот при неработоспособности устройства электронного управления лучше всего обратиться в сервис-центр, так как вы вряд ли захотите в следующий раз приобретать две варочные панели, запчасти одной из которых пригодились бы при выходе из строя другой.
Можно найти запчасти на местных рынках либо заказать неработоспособную электронику из Китая – это решение для тех, кто принципиально игнорирует сервис-центры и уверен в своих знаниях и навыках по ремонту бытовой техники.
В чём удобство электрических плит
Без плиты нельзя представить себе ни одной кухни. Она является главным инструментом для приготовления пищи. Не имеет значения, завтрак это, обед или ужин. В домах, к которым проведён газ, как правило, используют газовые устройства. Но последнее время всё популярнее становятся именно электрические приборы. И это не удивительно, ведь на них столько всего можно вкусного приготовить, и газопровод для этого не нужен. Тем более сегодня довольно много новых многоэтажек вообще к нему не подключаются. И электроплита – это реально выход из положения.
К тому же они намного безопасней для здоровья. Ведь для них не надо использовать газ, они не сжигают кислород, и у вас не будет болеть голова, даже если вы включите все конфорки одновременно. И вытяжка для неё нужна не настолько мощная, как для газовой. А это значит, что шуметь и потреблять электроэнергии она будет меньше.
А если вы покупаете не только варочную поверхность, но и духовой шкаф, который работает на электричестве, то вообще здорово выигрываете. Поскольку они имеют невероятное количество разных функций, и ими намного удобней пользоваться. И, что главное, для хозяек, процесс их очистки проходит гораздо легче.
Большое преимущество таких устройств – это то, что с ними не надо постоянно держать на контроле температуру. Вы просто выставляете необходимый режим с помощью панели управления, и прибор его автоматически поддерживает всё время. Это позволяет вашему блюду равномернее прогреваться, быстрее и качественнее готовиться. А это точно порадует ваших домочадцев.
Ими очень удобно управлять, они прекрасно справляются со своими задачами и абсолютно безопасны. Но только если правильно их подключить. А установка этих устройств довольно-таки непростая. И именно её часто относят к минусам данных приборов.
Большинство магазинов вместе с продажей электроплиты предлагают услуги электрика, который и подключает устройство. Однако не все это предлагают. А самостоятельно вызывать электрика для того, чтобы он просто подключил прибор, может быть для некоторых семей довольно дорогим удовольствием.
Но услугами специалиста настоятельно рекомендуют пользоваться все профессионалы. Поскольку электроплита – это очень мощный потребитель электроэнергии, безопасность её подключения является главным требованием грамотного использования.
Однако если вы обладаете хотя бы базовыми знаниями в области электротехники, то вполне способны самостоятельно всё сделать, без посторонней помощи. Но для этого надо знать некоторые правила и соблюдать их.
Дальше мы расскажем, как правильно подключать электроплиты. Раскроем некоторые правила и нюансы этого процесса. Если вы внимательно всё прочитаете, то сможете произвести сами подключение Ханса, Горение, Занусси, Электролюкс, Бош, Беко и плиты любой другой фирмы.
Как самостоятельно отремонтировать конфорку в электроплите
Для организации ремонтного мероприятия необходимо обладать хотя бы минимальными познаниями в области электроники, знать принцип работы устройства и как проверить напряжение при помощи мультиметра. Стандартная конфорка для электроплиты – 180 мм, поэтому подбирать необходимый инструментарий следует, ориентируясь на данные параметры. Главное – не пренебрегать правилами безопасности и здравым смыслом, действуя по принципу «не умеешь – не берись», ведь работа связана с электричеством.
Что потребуется для проведения ремонта
Даже не имея представления, как поменять конфорку на электроплите, если следовать простому алгоритму, можно устранить поверхностные неполадки, в частности, в нагревательном элементе, самостоятельно.
В электроплите важно не только определить поломку, но и правильно её устранить. Диагностировав неисправность в конфорке электроплиты, понадобятся такие инструменты:
- отвёртки (крестовидные и плоские, чтобы снять панель);
- ключи (накидные и рожковые);
- плоскогубцы и щипцы;
- кусачки;
- паяльник;
- изолента;
- инструменты для измерения напряжения и сопротивления.

Алгоритм поиска поломок
Первоначально следует определить причину, почему может плохо нагреваться платформа. Для этого можно воспользоваться мультиметром, который поможет:
- измерить напряжение;
- проверить контакты;
- определить температуру.
Эти несложные манипуляции помогут определиться – поломка заключается в конфорке (спирали) или в терморегуляторе и сенсоре.
Поверхностная диагностика
Нередко неисправность определяется путём поверхностной диагностики, когда визуально видно неисправность конфорок – деформация, перегрев, отсутствие работы. Не всегда потребуется гуглить «как заменить конфорку на электроплите», возможно, причина в передавленном шнуре или перегоревшей розетке.

Если плита имеет механические регуляторы, вероятно банальное перегорание лампочки, возникшее намного раньше, чем сама поломка.
Разборка корпуса электроплиты
Если поверхностный осмотр не принёс результата, разбираем конфорку и прозваниваем мультиметром контакты.

Снимать стекловату нужно в специальных рукавицах, желательно в респираторе, так как пыль асбестовых прокладок токсична.
Проверка поступающего напряжения
Важно! Перед тем как снять конфорку с электрической плиты – проверяем её напряжение! Отключаем питание, а лишь потом трогаем руками, ведь меры безопасности никто не отменял. Однако поступающее напряжение проверяется с подключённым питанием, поэтому после снятия подключаем сеть и аккуратно диагностируем

Работа нагревательного элемента с несколькими спиралями
Для диагностики нагревательного элемента электроплиты с несколькими тэнами, потребуется переключатель с тремя контактами, чтобы поменять деталь. Поможет электромеханическое реле, число которого должно быть на один больше, чем нагревательных элементов в спирали в электроплите.
Поломка органов управления
Если в электрической плите поломка во внутренней системе при замене конфорки – своими силами не обойтись. Нужны или знания в области радиомеханики, или вызов мастера.

Замена регулятора мощности
Проблема выглядит так: неисправный элемент не подаёт сигнал о температуре в центр управления. Не получая данных, модуль отключает конфорку или всю установку от питания, исключая поломку. Проверка осуществляется тестером – мультиметром.
Нюансы подключения ТЭНа и его проверка
ТЭН обеспечивает нормальную работу конфорки электроплиты. Фактически это её основной элемент, без которого невозможно нормальное функционирование всей схемы. Но чтобы всё прошло нормально, необходимо учесть множество нюансов. Среди основных:
Контактные соединения не должны касаться корпуса электроплиты, иначе подсоединение может окончиться плачевно.
Контакты необходимо качественно заизолировать. Лучше всего для этой цели подойдёт кембрик. В крайнем случае вы можете использовать обычную изоленту
Но её надёжность не в пример хуже.
Очень важно протестировать ТЭН конфорки электроплиты, чтобы подключение по схеме было успешным.
Чтобы протестировать ТЭН конфорки электроплиты вам понадобится специальный прибор. Его называют омметр. Мультиметр также вполне сгодится для этой цели. Эти приборы созданы для того, чтобы измерять сопротивление в схеме.
Если вы используете мультиметр, то для начала необходимо настроить соответствующий режим измерения. Дальше два провода необходимо подсоединить к соответствующими гнёздам.
После этого нужно включить прибор. При помощи двух щупов вы сможете измерить сопротивление ТЭНов. Чтобы это сделать необходимо щупами осуществить подключение к контактам ТЭНа конфорки для электроплиты.
Если вашим измерительными прибором является цифровой мультиметр, то после подключения его щупов к контактам — дисплей сразу покажет результат. Возможны три положения:
- разрыв,
- полная непригодность,
- сопротивление.
Само собой, чтобы осуществить подключение ТЭНа конфорки к электроплите согласно схеме необходимо, чтобы мультиметр показал третье положение. В противном случае ничего не получится.
После подключения ТЭНа электроплиты у каждого человека возникает вопрос, а будет ли после этого работать конфорка? Все ли провода подсоединены правильно? Особенно это верно, когда речь касается конфорок.
Внимание! Диагностика подключения всех проводов ТЭНа к общей схеме электроплиты должна проводиться в пассивном состоянии. Для диагностики вам понадобится всё тот же прибор
Перед тестированием отключается нагрузка электроплиты, включается переключатель мощности и осуществляется подключение щупов к вилке. Дисплей покажет соответствующий результат
Для диагностики вам понадобится всё тот же прибор. Перед тестированием отключается нагрузка электроплиты, включается переключатель мощности и осуществляется подключение щупов к вилке. Дисплей покажет соответствующий результат.
Подключение электроплиты своими руками: схемы подключения в квартире
Электрическая плита – отличный выбор для современной кухни. При условии правильной установки и использования, прибор будет исправно служить долгие годы. Конечно, для подключения электроплиты можно пригласить квалифицированного мастера, но при желании вы можете сделать все собственными силами и хорошенько сэкономить!
Подключение электроплиты своими руками
Ознакомьтесь с основными требованиями к подключению современных электроплит, существующими схемами, а также руководствами по непосредственному монтажу прибора и его заземлению.
Подключение электроплиты своими руками
Электричество, сантехника, установка бытовой техники. Просто о сложном
Она представляет собой небольшую духовку, на верхней грани которых располагается два ТЭНа.
Весь инструмент, который будет использоваться, должен иметь диэлектрические рукоятки, которые не пропустят разряд, который может быть в конденсаторах, если они присутствуют в схеме. В случае его удовлетворительного состояния ее легко уточнить, но чаще всего такие документы утеряны или их уже выбросили, тогда можно воспользоваться руководством, которое будет дано в статье.
Цены на популярные электрические кухонные плиты Электрические кухонные плиты Прежде чем приступать к непосредственной установке прибора, изучите существующие схемы подключения прибора. Новый нагреватель просто устанавливается в плиту, фиксируется и подключается.
Я сменил фазу для подключения ТЭН-ов духовки, так как у меня не нашлось термоизолированного провода достаточной длины. Выбирать лучше ближайший больший — так меньше шансов на ложное отключение при работе на полной мощности. Элемент под порядковым номером 3 выполнен из чугуна и имеет большой диаметр в 20 см. Если замкнуть 4 и 3 между собой, а затем 1 и 2 и замерить сопротивления между этими парами контактов, то вы получите самое маленькое сопротивление, потому что все спирали будут соединены параллельно. Испытания прошли успешно. Первый шаг Выбираем место для установки прибора. Оно производится переключателем S1. Но все же такое соединение более надежное и безопасное, поэтому его лучше использовать даже при подключении приборов средней и малой мощности.
Подпишитесь!
Шаг 2 — Установка розетки Далеко не в каждой квартире, на кухне есть силовая розетка, предназначенная для подключения мощной техники, потребляющей более 3 кВт. В плите реализована возможность управления интенсивностью нагрева
Обратите внимание, что при подключении мощного электрооборудования обязательно наличие заземления. Подключение узлов Мечта 8: Во втором положении включаются контакты Р, Р На схеме видны установленные резисторы
В таких ситуациях приходится обходиться электрическими плитками. Довольно часто схема имеется на нижней стороне конфорки в виде оттиска.
Каждый нагреватель на конфорке имеет 6 режимов регулировки. По окончании процесса необходимо свериться с эталонным значением. В ней мы, пошагово, постараемся объяснить, как это сделать грамотно, а главное безопасно! После этого защитная коробка закрывается крышкой. ВЫПУСК 27 ТЕХНЫЧ ОБЗОР ПЛИТОК ЛЫСЬВА ВСЕХ МАРОК ЧАСТЫЙ БРАК ПЛИТОК ЛЫСЬВА, СМОТРИМ!!!
https://youtube.com/watch?v=RiObiKjr22w
Пару слов о заземлении
Теперь по поводу заземления. Поскольку мощность прибора – большая, то заземление необходимо. Один из вариантов подключения электроплиты к заземлению – это воспользоваться общим заземлением дома, если таковое имеется.
Для этого лучше обратиться в ЖЭК и поинтересоваться, подключен ли ваш распределительный щиток к заземлению дома.
При утвердительном ответе останется только провод земли подсоединить к заземлению щитка.
Выявить его несложно – обычно это толстый провод. Подсоединенный к корпусу щитка при помощи болтового соединения. К этому подсоединению и подключается провод земли.
Если же заземления в доме нет, но при этом вы проживаете на первом этаже или в частном доме, то заземление можно сделать и самому.
Если коротко – то в землю возле квартиры забиваются три прута, они соединяются между собой металлической лентой.
К этой ленте прикрепляется стальная проволока, которую прокладывают к квартире. А уже к этой проволоке подсоединяется провод заземления.
Более подробно об изготовлении заземления для дома можно узнать здесь.
Самостоятельное подключение электроплиты расписано в общих чертах. В процессе же может возникнуть много нюансов. К примеру, решено подключать плиту к общей сети дома, но выяснилось, что она – алюминиевая и на такие нагрузки не рассчитана.
Или же автоматы в распределительном щитке слабые. Как вариант – в квартире нет заземления и провести его пока невозможно. Все это нужно учитывать, но при правильном подходе – эти проблемы решаемы.
Подключение к трехфазной сети 380 В
В этом случае покупаются автомат и УЗО для трехфазной сети, провода должны быть пятижильные (сечение определяется по той же таблице, только значение смотреть надо в графе 380 В). Вилка и розетка тоже должны иметь по пять контактов.
Сам процесс подключения ничем не будет отличаться, только количеством проводов. Разница будет при подключении провода к выходным клеммам электроплиты. Устанавливаться будет только одна перемычка — на контакты 5 и 6. Все остальные подключаются отдельными проводниками.
Схема подключения электроплиты к трехфазной сети
Также необходимо отслеживать положение «земли» и «нейтрали» (или говорят еще «нуля»). Цветовое соответствие проводников на фазах некритично, но удобнее, если они тоже совпадают.
Источник
Подготовка места
Прежде чем осуществить подключение электрической плиты, необходимо правильно выбрать ее расположение на кухонном пространстве — для этого надо придерживаться простых правил.
- Место установки должно быть ровным, чтобы при регулировке ножками можно было обеспечить устойчивое ее положение относительно горизонтали.
- Длину провода надо подбирать такую, чтобы свободно, при необходимости, отодвинуть бытовую технику от стены, не отключая ее от сети.
- Пользователи должны помнить, что разогретая конфорка может нагреваться до 100°C, поэтому нельзя размещать плиту рядом с холодильником.
- При встраивании в кухонный гарнитур надо защитить пластиковые панели от перегрева в процессе эксплуатации электроприбора.
- В непосредственной близости от индукционной плиты лучше не размещать другие электрические приборы — ее электромагнитное поле будет воздействовать на качественную их работу. Подробнее об этом можно прочитать здесь.
При выборе места решающим фактором может стать зонт вытяжной системы, который должен находиться над варочной поверхностью или за ней, в зависимости от применяемого типа вытяжки.
Как найти неисправность в электрической варочной панели
Прежде чем приступить к поиску проблемы в работе конфорок, следует обратить внимание на модель оборудования и год выпуска. В каждой плите есть свои тонкости и особенности, которые обязательно следует учитывать, перед тем как разобрать технику
Но в большинстве случаев следует придерживаться следующего алгоритма действий:
- Проверить вольтметром напряжение в самой технике и розетке, к которой она подключается.
Проверка вольтметром
- Если плита не работает, но при этом горит индикатор на дисплее или панели управления, то это говорит о том, что вся плита не работает. В результате этого ток не доходит до конфорок. При обнаружении этой поломки следует полностью разобрать варочную панель.
- Исследовать модуль управления. Он может быть механического или электронного типа. В любом случае специальным прибором необходимо проверить, поступает ли ток на клеммы конфорок.
- В случаях, если произошло перегорание спирали, следует проверить нагревательный элемент в каждой конфорке.

Нагревательный элемент
При необнаружении неисправности нужно проверить и визуально осмотреть следующие детали:
- термодатчики;
- реле;
- регуляторы.
Разметочные работы
Разметочные работы представляют собой нанесение на стен мелом либо углем трассы прохождения кабеля, а также мест установки ее элементов. Чтобы быстро и ровно сделать трассу электропроводки, рекомендуется использовать веревку, заранее окрашенную в мел (либо уголь). Такая веревка правильно называется разметочным или малярным шнуром, увидеть, как им пользоваться можете на фото ниже:
Все что нужно для создания одного из участков, это закрепить один конец веревки в исходном положении и аккуратно протянуть его до концевой точки (чтобы окрашенная веревка не коснулась стены). После этого веревку нужно натянуть и резко отпустить, чтобы след остался на стене. Более подробно узнать о том, как сделать разметку стен под проводку, вы можете из нашей отдельной статьи.
После завершения разметки, рекомендуется сфотографировать стены в частном доме. Это позволит Вам быстро найти электропроводку при ее замене либо ремонте.
ЭКЧ. Взаимозаменяемость с другими конфорками.
Если у вас к старой конфорке подключалось только два провода, а не четыре, то конфорку ЭКЧ можно установить. А вот обратная замена не получится. Дело в том, что если у вас только два провода, значит регулировка мощности осуществляется переключателем с плавной регулировкой. В таких переключателях температура регулируется биметаллической пластиной. В то время, как ступенчатые переключатели регулируют температуру посредством включения определенных спиралей конфорки комбинируя последовательно и параллельное включение спиралей. Чтобы подключить ЭКЧ к переключателю с плавной регулировкой надо объединить между собой контакты 4-3 и 2-1, а затем подключить два провода к этим парам. В итоге вы получаете конфорку, которая регулируется переключателем посредством биметаллической пластины. Если же наоборот, у вас есть ступенчатый переключатель, а вы на него пытаетесь подключить конфорку с одной спиралью, то в каком-то одном положении она у вас будет все время работать на полную мощность.
ЭКЧ. Электрическая схема.
Мощность элементов может быть и неодинаковой. Довольно часто схема имеется на нижней стороне конфорки в виде оттиска. Тем не менее, что нужно знать, чтобы вы могли проверить все спирали и определить схему (ибо и она может отличаться от предложенной, хотя чаще всего выглядит именно так). Итак, если мультиметром в режиме прозвонки (или проверки сопротивления) прозвонить 2 и 4 контакт, то вы получите самое большое сопротивление, потому что в этой цепочке все три спирали будут соединены последовательно, а при последовательном соединении сопротивления суммируются. Если замкнуть 4 и 3 между собой, а затем 1 и 2 и замерить сопротивления между этими парами контактов, то вы получите самое маленькое сопротивление, потому что все спирали будут соединены параллельно. А в параллельном соединении сопротивлений, общее сопротивление будет меньше самого наименьшего. Соответственно, можно измерить сопротивление каждой спирали:
- №1 — контакты 3 и 2
- №2 — контакты 3 и 1
- №3 — контакты 1 и 4
Если какая-то из спиралей перегорела, то конфорка в некоторых положения не будет работать вообще, а в некоторых не будет развивать максимальной мощности.
ЭКЧ. Экспресс-конфорка

Есть разновидность ЭКЧ конфорок, которые маркируются, как экспресс-конфорки. Определить их можно по красному кругу в центре конфорки. Внутри такой конфорки есть спираль повышенной мощности со встроенным термореле. Такие конфорки быстрее разогреваются, а когда выходят на максимальный режим термореле отключает спираль повышенной мощности, тем самым предотвращая перегрев конфорки. Схема включения ничем не отличается от обычных конфорок. Что выбирать, обычную или экспресс, решать вам. Я лично предпочел бы обычную, ибо чем меньше всякого рода соединений, тем ниже риск поломки.
Схемы подключения популярных плит
Мечта 8
Это одна из самых продаваемых плит прошлых времён. Неудивительно, что на кухнях у многих людей можно увидеть именно её. Она состоит из таких ключевых узлов:
- ТЭН Е1+ Е2,
- ТЭН Е3-Е5,
- S1-S4,
- F,
- индикаторы.
ТЭНы E1-2 располагаются соответственно в конфорке 1 и 2. Это можно легко увидеть на схеме в технической документации плиты. ТЭН Е3-Е5 — это духовой шкаф. S1-S4 представляют собой коммутационный узел, при помощи которого можно осуществлять управление электроплитой.
Индикаторы, имеющиеся в электроплите, согласно схеме бывают двух типов HL1 и HL. Они отвечают за работу ТЭНов. Также в наличии HL3. Но это просто подсветка жарового шкафа, чтобы всегда была возможность посмотреть, в каком состоянии блюдо.
Внимание! В большинстве конструкций используется тепловое реле Т-300. При этом мощность каждого ТЭНа — 1 кВт
За регулировку степени нагрева отвечает переключатель S1. Он имеет четыре позиции, с помощью которых можно обеспечивать разную интенсивность огня. В первом положении замыкаются Р1-2 и Р2-3.
Когда это происходит, то активируется ТЭН E3. При этом ток пройдёт следующий маршрут:
- всё начинается с контакта ХР,
- потом идёт реле F,
- Р1-2,
- Е4-5 + Е3,
- Р2-3.
Первый пункт назначения — это контакт вилки. Данный нагревательный элемент имеет последовательное подключение к четвёртому ТЭНу и к пятому. Мало того, он параллельно соединён со вторым и третьим. Во всём этом вы можете легко убедиться самостоятельно, посмотрев на схему внизу.
Когда происходит переключение в положение под номером два, то активируются Р1-1 и Р2-3. Естественно, цепь, через которую проходит ток, меняется. Всё начинается с контакта вилки, находящегося снизу, который подписывается, как ХР. Потом следуют такие промежуточные точки:
- F,
- Р1-1,
- Е3,
- Р2-3.
Заканчивается всё штекером XP, который сверху. При активации данной цепи запускается исключительно ТЭН E3. Увеличения мощности удаётся добиться за счёт уменьшения сопротивления. Главное достоинство такой схемы подключения конфорки электроплиты заключается в том, что оно является возможным, при неизменном напряжении в сети, которое составляет 220 В.
Для S1 есть позиция номер 3. В таком случае происходит замыкание Р1-1 и Р2-2. Из-за этого происходит подключение ТЭНов Е4+5. Если же говорить про S4, то этот переключатель отвечает за работу лампы. На стандартной схеме работы конфорок электроплиты она имеет обозначение HL3.
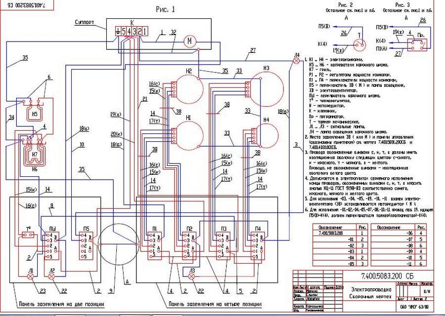
Электра 1002
Второй, самой часто используемой в домах и квартирах электроплитой является Электра 1002. Поэтому знать о её схеме подключения конфорок — просто необходимо. К счастью, она не представляет особой сложности и в ней может разобраться даже новичок.
Итак, в наличии у электроплиты есть четыре конфорки, естественно, схема подключения у каждой из них своя. Первые два нагревательных элемента имеют индексы H1и H2. Их главным отличием является трубчатая структура.
Третья конфорка в схеме подключения электроплиты имеет индекс Н3. Она делается из чугуна и является довольно большой — 200 мм. Н4 также делается из чугуна. Её размер 145 мм.
За регулировку температуры отвечают регуляторы Р1 и Р2. У них, нет как таковых ступеней мощности. Но этот недостаток с лихвой компенсируют семиступенчатые переключатели П3 и П4. В свою очередь, ПШ отвечает за духовой шкаф и имеет 3 позиции.
За блокировку отвечает переключатель П5. Сигнальные лампы конфорок в схеме электроплиты это Л1-4. Пятая Л позволяет подсветить духовой шкаф. Также в наличии Л6. Она включается, когда в шкафу достигается соответствующая температура.
За нагрев духового шкафа отвечают соответственно элементы H5-6. Семёрка — это гриль. Терморегулятор обозначается простой буквой T. Также в наличии клавишный включатель — это B. Седьмая Л освещает духовой шкаф.
Внимание! Моторедуктор обозначается как большая буква M
Схемы для других популярных моделей
Безусловной, электроплиты Электра 1002 и Мечта 8 были одним из самых популярных в своё время. Но сейчас люди предпочитают покупать себе продукцию совсем других брендов, среди самых известных можно вспомнить Gorenje и Нansa. Именно их плиты большинство устанавливает у себя на кухнях.
Также можно вспомнить бренд «Лысьва». Конечно, их плиты сейчас мало кто покупает, если есть возможность приобрести продукцию более респектабельного бренда, тем не менее круг потребителей у компании довольно большой. В общем, ниже вы найдёте схемы подключения конфорок электроплит от самых популярных брендов.
С помощью этой схемы подключения конфорок электроплиты вы легко выполните все работы самостоятельно. Но для их качественного выполнения не помешают хотя бы базовые знания работы электросетей и электрических приборов.
ЭКЧ. Экспресс-конфорка
Есть разновидность ЭКЧ конфорок, которые маркируются, как экспресс-конфорки. Определить их можно по красному кругу в центре конфорки. Внутри такой конфорки есть спираль повышенной мощности со встроенным термореле. Такие конфорки быстрее разогреваются, а когда выходят на максимальный режим термореле отключает спираль повышенной мощности, тем самым предотвращая перегрев конфорки. Схема включения ничем не отличается от обычных конфорок. Что выбирать, обычную или экспресс, решать вам. Я лично предпочел бы обычную, ибо чем меньше всякого рода соединений, тем ниже риск поломки.
Идея N2: Инфракрасный обогреватель
Для изготовления инфракрасного обогревателя своими руками можно использовать несколько вариантов устройств. Рассмотрим два наиболее простых в реализации, для одного из них будет использоваться ИК пленка, применяемая в системе теплого пола, а для второго нагревательную панель изготовим из подручных средств. Если у вас остался пленочный ИК нагреватель от пола или есть возможность его достать, то это значительно упростит вам задачу.
Пленочный ИК нагреватель
Для изготовления такой инфракрасной модели вам понадобиться кусок рулонной фольгированной теплоизоляции, нагревательная пленка, питающий кабель для подключения в электрическую сеть, клеммы для подключения провода к пленке, терморегулятор или другие устройства для изменения температуры обогревателя.
Процесс изготовления состоит из таких этапов:
- Выберете место размещения, так как пленочный обогреватель не может самостоятельно стоять на полу или столе, его нужно крепить к стене, потолку, каркас или на другой жесткой поверхности.
- По размеру инфракрасной пленки вырежьте термоизоляцию и подготовьте фольгированную поверхность для наклеивания пленки. Рис. 4: вырежьте термоизоляцию нужного размера
- К подготовленному рулону приклейте пленку, обеспечьте плотное прилегание по всей длине. Для скрепления поверхностей можно использовать как клеящие составы, так и двухсторонний скотч. Но точки нанесения клеящего вещества должны располагаться не на инфракрасных излучателях. Рис. 5: места для нанесения клеевого состава
- По краям пленки закрепите клеммы, предварительно к клеммам припаяйте провод для подачи электрической энергии. Рис. 6: припаяйте клемму к медной шине
- Заизолируйте места электрических соединений при помощи изоленты, термоусадки или битумной ленты. Это нужно, чтобы при подключении нагревательного прибора в сеть исключить угрозу поражения электротоком от обогревателя и изолировать токоведущие части от стен и других конструктивных элементов зданий. Рис. 7: заизолируйте места электрических контактов
- В конструкцию электрообогревателя включите терморегулятор, наиболее удобной точкой включения является питающий провод. Так как элемент управления можно поместить в наиболее удобное и доступное место. Это позволит контролировать мощность теплоотдачи обогревателя для обогрева гаража.
- Закрепите ИК обогреватель на стене или другом конструктивном элементе. Если вы хотите установить его на полу, можно изготовить деревянный каркас.
Восстановление работоспособности
В частных жилых помещениях и квартирах все чаще используются однокомфорочные индукционные плитки. Электрические схемы позволяют домашним мастерам самостоятельно проводить необходимые ремонтные работы. Первым делом всегда отсоединяют изделие от электросети. Только после этого демонтируют декоративную поверхность, чтобы получить полноценный доступ к деталям. Любые следы копоти, смена традиционной расцветки элементов, признаки плавления должны вызвать опасение.
Эксперты рекомендуют заранее подготовить схему электрической индукционной плитки, так как в этом случае все ремонтные работы будут проходить гораздо быстрее. Скачать необходимый документ можно на официальном сайте производителя изделия. С помощью мультиметра нужно проверить блок предохранителей, кабель и сами контакты. Обязательно осматривают спирали индукционных катушек. На изделиях не должно быть трещин, а также касаний между витками. Необходимо протестировать исправность соединительной проводки. Цепи проверяют мультиметром. Необходимо аккуратно извлечь проблемную конфорку вместе с платой генератора. Мастеру предстоит внимательно осмотреть элементную базу. Сгоревшие радиодетали видно невооруженным глазом. Когда проблема обнаружена, нужно заменить вышедшие из строя детали. В этом случае поможет схема индукционной плитки. Своими руками выполнить все необходимые манипуляции не так уж и сложно, если заранее подготовить необходимые инструменты.





































