Типовой или индивидуальный проект одноэтажного дома до 200 кв.м – что лучше?
Изначально определите, какая планировка будущего дома будет использоваться при его возведении: типовая или индивидуальная. В первом случае используются стандартные, шаблонные варианты. Они способствуют экономии времени и денег. Такие планы не составляются в соответствии с требованиями заказчиков, но готовые проекты всегда могут видоизменяться с учетом нужд будущих хозяев. Преимущество индивидуального проектирования – возможность создания уникального архитектурного сооружения с учетом планировки, дизайна, цветов, эргономичности. План должен учитывать любую мелочь.
Если сложно найти готовый план, где для каждой спальни будет выделяться отдельная ванная комната, Вы можете поручить создание такого решения специалистам. Для реализации задачи не будет никаких препятствий.
На практике, востребованы одноэтажные постройки с площадью до 200 квадратных метров. Если нужно, готовый план дополняется или изменяется
Важно помнить, что при создании плана учитываются особенности участка, ландшафта, поэтому внесение дополнений в готовый шаблон – обязательная процедура. Взвесив все «за и против» использования обоих вариантов планов, нужно выбрать решение, соответствующее Вашему бюджету и ожиданиям. В отдельных случаях проще создать индивидуальный эскиз, чем корректировать уже имеющийся проект
В отдельных случаях проще создать индивидуальный эскиз, чем корректировать уже имеющийся проект.
Планировка одноэтажного дома
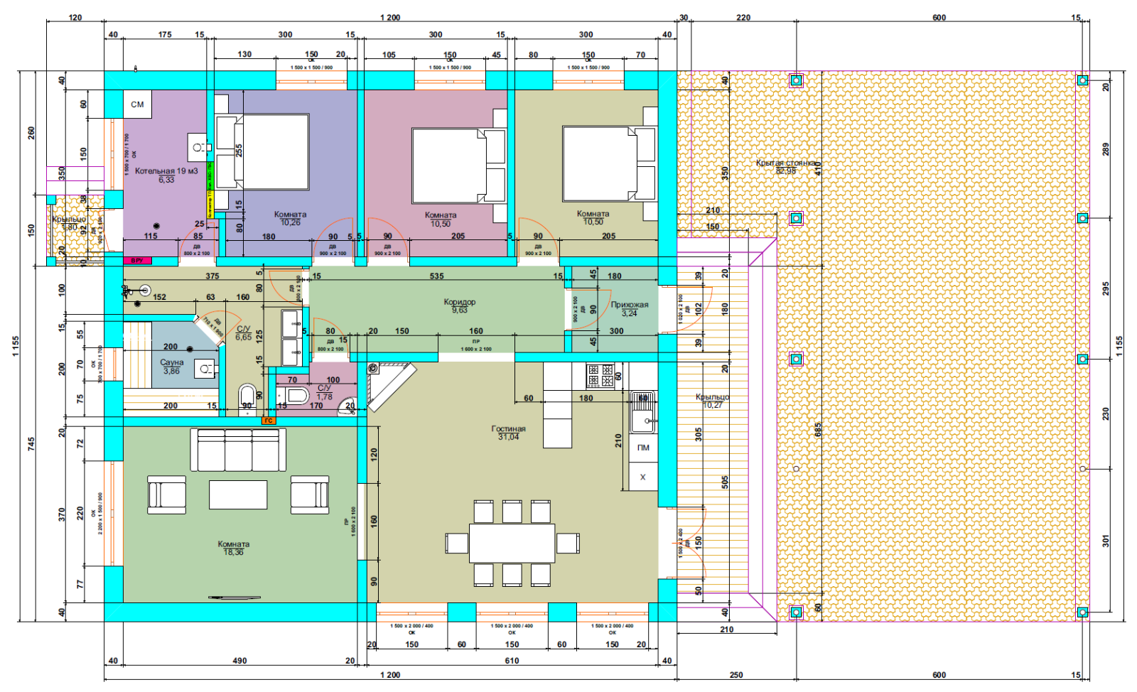
Стандартная планировка одноэтажного дома до 100 м2, включает в себя следующие помещения:
- прихожая или тамбур – является обязательным помещением, поскольку защищает от проникновения в дом холода во время открытия дверей;
- детская комната – она одновременно может быть как местом для сна и игр, так и местом для выполнения уроков, для этого нужно только установить необходимую мебель;
- гостиная – это место, где ежедневно будут собираться все члены семьи, поэтому представленная комната должна иметь довольно большие размеры, около 20 кв. м, и качественное освещение;
- котельная – представленное помещение необходимо в тех случаях, когда отопление дома в 100 м2, осуществляется благодаря работе газового, электрического или древесного котла;
- спальные комнаты – для родителей и детей (желательно, чтобы у каждого ребенка была собственная комната, в особенности, если дети разных полов);
- санузел – ванную и унитаз можно разместить как в одной комнате, так и раздельно.
Площадь каждого из помещений и их расположение могут разниться в зависимости от требования жильцов
Но особое внимание нужно уделить тому, чтобы спальные комнаты не размещались на проходе и содержали в себе такое количество осветительных приборов, чтобы в помещении было комфортно находиться
Читайте здесь! Дом 120 кв. м. — примеры идеальной планировки. Современные проекты частных домов из разных материалов (125 фото новинок)
Готовый дизайн-проект дома содержит фотографии и всю техническую документацию
Каждый проект, независимо от предусмотренной площади, содержит все необходимые документы, выполненные в соответствии с нормативами Республики Беларусь. Срок подготовки проекта составляет всего 1-2 дня. За это время мы предоставим Вам полный пакет документов, позволяющий получить разрешительную документацию на строительство.
В описании каждого проекта размещены фото домов площадью до 100 м2, которые позволяют составить предварительное мнение о внешнем виде строения. При необходимости наши архитекторы произведут корректировки в выбранном Вами проекте. Подробнее об этом читайте на странице Адаптация проекта.
Из чего построить
Разные строительные материалы предполагают разную стоимость и сроки строительства дома. Популярные материалы для строительства: кирпич, газобетонные блоки, деревянный брус.

Дом из кирпича долговечен и выглядит представительно. Кирпичная кладка не разрушается от резких перепадов температуры наружного воздуха, не поддерживает распространение огня, ей не страшны гниение и плесень. Фасады из кирпича красивы за счёт архитектурных деталей – поясов, карнизов, рустов. Облицовочный кирпич разного цвета и фактуры помогает сделать облик дома выразительнее.

Крупноразмерные газобетонные блоки позволяют возвести дом очень быстро – за один сезон. Преимущества газобетона: лёгкость, прочность, огнестойкость, малая теплопроводность, стойкость к биологическому воздействию. При этом его нельзя сильно нагружать, поэтому он используется только для частных домов. Желательно сразу облицевать фасад. Пористый материал хорошо вбирает влагу, поэтому возможно его разрушение.
Дома из бруса экологичны и комфортны для проживания. Они хорошо сохраняют тепло зимой, а летом в них достаточно прохладно. Красивая фактура дерева не требует дополнительной отделки. При этом брус надо периодически обрабатывать специальными составами, предотвращающими распространение огня. Чтобы стены не заражались грибком и не подвергались гниению, их пропитывают биозащитными растворами.



Теперь вы имеете чёткое представление о собственном образе жизни, сформулировали требования к будущему дому, взвесили все «за» и «против» по выбору материалов.
Вы сможете легко найти подходящий проект одноэтажного дома площадью 100 м2.
Одноэтажный дом с зимним садом
Простой, но в то же время красивый проект дома позволит с комфортом проживать семье из трех-четырех человек. Светлый облицовочный кирпич в сочетании с темной крышей делает дом еще привлекательней. Такой проект особенно понравится тем, кто ценит простоту и предпочитает во всем придерживаться классического стиля.

Несмотря на то, что дом небольшой, здесь предусмотрено три спальни, просторная ванная и два дополнительных санузла. В этом доме нашлось место и для бойлерной, так что проблем с тем, где установить отопительное оборудование не возникнет.
Гостиная просторная, совмещена с кухней, а вот для обеденной зоны выделено особое место – эркер с большими окнами. Но еще раз стоит вернуться гостиной, из которой есть выход в зимний сад, а затем на террасу. Так что в этом доме можно будет наслаждаться красотой природы в любое время года.
Стоимость проектов
Красивое и просторное жилье не обязательно должно быть огромным. Современные тенденции строительства склоняются к минимализму и компактности. Дизайнеры предлагают тысячи проектов домов до 150 кв. м. Есть, из чего выбрать. Стоимость создания
проектов
можно сравнить в следующей таблице:
![]() | ![]() | ![]() |
141м² Цена проекта от 24 тыс ₽ |
Проект дома до 150 кв.м – это отличный вариант жилого дома для семьи из 3-5 человек. Вариаций планировки может быть большое количество. Идеальный вариант домика такого размера – это два этажа или дом с мансардой, с разделением жилого помещения на зоны. Как правило, это этажное деление на зону отдыха и бытовую зону. На первом этаже сосредоточены кухня, гостиная, столовая, холл, топочная, прачечная, всевозможные кладовки. Опять же варианты могут быть разные. Все зависит от потребностей хозяев. На втором этаже размещаются все спальни с их уютом и сонливым комфортом. Но, может быть зональность и на одном этаже. Если размеры участка позволяют, то почему бы и нет. Тогда для спален отводят приблизительно половину дома с одной стороны, что бы сохранялось ощущения спокойствия и комфорта. Специалисты говорят, что для сна хороша та комната, в которую заходишь, и сразу возникает желание прилечь, отдохнуть. Уединенность комнат для отдыха делает их именно такими, вызывающими сон, но, ни в коем случае не скуку. должны изначально учитывать особенности правильной планировки. Чем более грамотно спроектировано размещение комнат, тем выше будет функциональность уже готового дома. Недостатком одноэтажного дома могут стать проходные комнаты. Хотя и они в руках мастера превращаются в изюминку.
Проекты домов до 150 кв.м. будут актуальны как для загородных домиков, так и для жилых домов в черте города. Им можно придать скромный вид или наоборот шик и роскошь. Проект дома до 150 м кв с мансардой будет иметь вид одноэтажного дома. Визуально он будет казаться скромным и небольшим, хотя внутри будет иметь два полноценных этажа. Если же два этажа построены по всем правилам, то дом получится и выше и внушительней. При помощи балконов, террас, эркеров можно превратить его в роскошный коттедж. Также в этом могут помочь кованые элементы наружного декора, нестандартные формы крыш, большие окна. Очень многое зависит от мастерства и фантазии архитектора, а также от отделочных строительных материалов. Именно они придают дому «характер».
Россия – очень большая страна. Ее территория протянулась с севера на юг больше чем на 4 тыс. км и с запада на восток почти на 10 тыс.км, а это, ни мало ни много, третья часть Евразии. При таких размерах ее климат существенно отличается в разных точках страны. А потому и требования к строительным материалам и самому строительству разные. Но вот размер до 150 кв.м востребован, как в краснодарском крае, так и в Сибири. При этом цена проекта прямо пропорционально зависит от его сложности. Чем сложнее форма дома, и больше различных перекрытий, балок, лестничных пролетов и прочего, тем дороже обойдется проектная документация.
Заказать проект дома до 150 кв. м. можно в нашей компании – Дом4М. Большой выбор готовых проектов домов до 150 м кв, индивидуальный подход к каждому клиенту и профессионализм – наши отличительные черты. Наши специалисты помогут подобрать готовый проект или спроектируют новый в удобные сроки и за умеренную цену.
Проект дома до 150 кв. м: плюсы
Частный дом хорош тем, что в нем не надо «воевать» с соседями, никто и никогда не затопит потолок, никто не разбудит шумом за стенкой. Не маловажным обстоятельством является и то, что «добрые» бабушки под подъездом не будут высматривать и подсматривать, а потом распускать сплетни об личной жизни каждого члена семьи. К более ощутимым и материальным благам частного дома можно отнести:
Возможность самостоятельно контролировать затраты на коммунальные услуги и отопление дома;
Отсутствие квартплаты;
Наличие свободного места во дворе для парковки авто, для детских качелей, мангала, или беседки;
Из каких материалов можно сделать одноэтажный частный дом
При выборе плана одноэтажного дома нужно решить ещё одну задачу − определиться с материалом. Главный вопрос – какие материалы сейчас используются в строительстве, и все основные их достоинства и недостатки.
Проекты домов из бруса
Брус – это обработанные брёвна, для строительства используют материалы полуовального, квадратного и прямоугольного сечения. Каждый из них обладает своими достоинствами и недостатками, например, брус полуовального сечения–косой срез позволяет лучшему стеканию дождевой воды.
Основные его преимущества:
- самый экологичный материал;
- стоимость намного ниже, чем у дома, построенного из кирпича;
- невысокая теплопроводность, дома из бруса очень тёплые;
- природная красота дерева – строения не нуждаются в дополнительной внешней или внутренней отделке;
- можно ставить на лёгкие фундаменты;
- долговечны.
Негативных особенностей брус практически не имеет, но те, что есть, достаточно серьёзны:
- дерево хорошо горит;
- подвержено гниению и поражению грибком, для предотвращения этого процесса необходимо периодически обрабатывать специальными составами;
- усадка может продлиться до пяти лет.
Одноэтажный дом из бруса с открытой террасой
Проекты домов из пеноблоков
Внешний вид пеноблоков не так красив, как дерево, но это компенсируется его достоинствами:
- скорость строительства в 9 раз выше, чем кирпичного;
- работы можно выполнять самостоятельно;
- точность геометрических параметров позволяет возводить ровные стены;
- низкая практически 100% теплопроводность;
- 100% огнеупорность;
- не токсичен;
- благодаря пористой структуре хорошо вентилируется, на него не влияют температурные скачки.
Материал обладает и некоторыми недостатками:
- с годами могут появиться трещины;
- до строительства желательно хранить материал на складе;
- нужен более мощный фундамент.
ФОТО: z500proekty.ru/projekt/z349.html Одноэтажный дом из пеноблоков в английском стиле
Проекты домов из кирпича
Дома, построенные из кирпича, – это массивные строения, которые имеют красивый внешний вид, кроме того, они прекрасно противостоят природным явлениям. К основным достоинствам материала относятся:
- большой срок эксплуатации;
- отличная морозостойкость;
- точные геометрические параметры;
- хорошая прочность;
- красивый внешний вид.
Однако материал имеет ряд существенных недостатков:
- невысокая влагостойкость. Это можно наблюдать, например, как во время дождя темнеет силикатный кирпич, именно поэтому его не рекомендуется использовать в районах с повышенной влажностью и для строительства подвальных помещений;
- повышенная теплопроводность – требуется дополнительное утепление стен;
- большой вес, требуется возведение более крепкого фундамента;
- стоимость материала довольно высокая.
Индивидуальный проект одноэтажного дома из кирпича
Проекты домов на металлическом и деревянном каркасе
Каркасное строительство не привязано к конкретной климатической зоне, основное условие для него – комфорт рабочих во время возведения. Благодаря современным технологиям можно быстро возвести каркас, стоимость которого значительно ниже, чем у кирпича, пеноблоков или бруса.
К основным достоинствам относятся:
- высокая прочность;
- большой срок эксплуатации;
- возведение конструкции за рекордно короткие сроки;
- устойчивы к различным погодным условиям;
- низкие теплопотери;
- экологичность;
- сейсмоустойчивость;
- безусадочное строительство;
- можно выбрать любой архитектурный проект.
Технология также имеет ряд минусов:
- во время пожара оцинковка теряет свои характеристики, строение сворачивает, словно по спирали, она перекашивается, брус обугливается;
- нельзя применять тяжёлые строительные материалы;
- металлический каркас хорошо проводит электрический ток.
Металлокаркасная схема строительства
Проект «Миниатюрный»
Дом по предложенному проекту как на фото действительно миниатюрный, ведь его площадь составляет всего 60 кв. м. Но в этом доме есть все для комфортного проживания небольшой семьи, а его минимальная площадь постройки позволит возвести дом даже на малом участке. Плюс и в том, что можно неплохо сэкономить на сроках строительства и на самих материалах.

По проекту внутренняя планировка включает совмещенную с кухней гостиную, отсутствие перегородок делает помещение просторной. Из гостиной можно выйти на террасу, она довольна просторная и подходит для организации обеденной зоны на свежем воздухе.
Также в доме предусмотрены две небольшие спальни, ванная комната и холл с нишей для большого шкафа.

Особенность данного проекта в том, что все стены в доме несущие, поэтому после его возведения можно сделать перепланировку. Например, отказаться от ниши в холле и тем самым увеличить площадь гостиной.
Преимущества и недостатки одноэтажных частных домов
Популярность одноэтажных строений, по сравнению с двух- , трёхэтажными строениями, продиктована рядом причин:
- комфортными условиями проживания для людей, имеющих проблемы с опорно-двигательным аппаратом и сердечно-сосудистой системой;
- исключением риска травмирования детей и пожилых людей из-за падения с лестницы;
- рациональным распоряжением внутренним пространством, так как монтируемая в двухэтажных постройках лестница занимает некоторую площадь;
- меньшими затратами на строительство, по сравнению с двухэтажными строениями. Для возведения одноэтажного дома требуется меньше материалов;
- меньшими эксплуатационными расходами. В зимнее время приходится расходовать меньше топлива для поддержания внутри жилых комнат комфортной температуры;
- низким уровнем шума. Даже качественная шумоизоляция не позволит обеспечить достаточный уровень звукоизоляции в двухэтажном строении. Находящиеся на первом этаже будут слышать характерный шум. Особенно если на втором этаже будет располагаться детская комната;
- низкими требованиями к основанию. Учитывая, что одноэтажное строение весит меньше, заливка монолитного фундамента в ряде случаев не требуется. Исключением является ситуация, когда строительство ведётся на участке с особым грунтом;
- возможностью возведения практически в любом месте;
- сокращением сроков строительства;
- использованием простых технологий в процессе строительства. При наличии определённых знаний качественное строение может быть возведено своими силами.
Качественный дом можно построить самостоятельно
Несмотря на имеющиеся преимущества, одноэтажные постройки имеют ряд недостатков:
- занимая одинаковую площадь с двухэтажными строениями, одноэтажные имеют меньшую полезную площадь;
- сложность с расширением жилой площади.
Площадь участка задействуется не всегда рационально
Строительство дома 7 на 8 своими руками
Важно!
Осуществить строительство дома 7 на 8 своими руками можно только, имея опыт (навыки) в этой сфере, в противном случае, велика вероятность возвести дом не пригодный, опасный для жилья. Советуем вам обратится в специализированные фирмы чтобы избежать негативных последствий.
Выбор проекта и планировки
На первоначальном этапе необходимо определиться с этажностью дома.
Одноэтажный дом 7 на 8 идеально подойдет для людей в возрасте или же для не большой семьи. Стоит учитывать, что такой дом обойдется не многим дороже, чем такой же, но с мансардным этажом – к увеличению расходов ведет фундамент и кровля большей площадью.
Двухэтажный дом будет стоить дороже, но жилые помещения будут более комфортны за счет своей высоты и масштабности.
Для того чтобы дом был уютен и приятным для проживания, необходимо продумать на этапе планировки – расположение комнат, зоны, освещенность (окна), наличие хозяйственных помещений. Так же не стоит забывать о возможности переквалифицировать одно помещение в другое. Например, кабинет может стать жилой комнатой.
Варианты планировки дома 7 на 8 (одноэтажных, двухэтажных и мансардных)
Дом 7 на 8 с мансардой. Первый этаж можно обозначить как общий, предназначенный для всей семьи или же встрече гостей. Советуем расположить здесь гостиную, прихожую, кухню, а так же санузел и подсобные помещения, дополнительно можно достроить веранду и летнюю кухню.
Дом 7 на 8 одноэтажный. Такой вариант подойдет для сезонного отдыха или постоянного проживания небольшой семьи. Кухню и гостиную при таком проекте объединить, выделить отдельную комнату предназначенную для сна. Рядом с прихожей выделяются отдельные помещения для котельной и санузла.
Дом 7 на 8 двухэтажный. Подходит для совместного проживания большой семьи, те кто любит большие пространства. На первом этаже можно удобно разместить кухню — столовую, гостиную, санузел, прихожую, подсобные помещения. На втором этаже комнату предназначенную для сна, санузел, холл. Для удобства такой дом часто оборудуют двумя входами.
Виды строительного материала
Главной составляющей кирпича выступает глина. Смешивая ее с водой и специальными компонентами, получают прямоугольный булыжник, который впоследствии высушивается и поддается обжиганию при высоких температурах. К основным видам кирпича относятся:
- Строительный — обычный глиняный кирпич красного цвета, прошедший процесс обжигания.
- Облицовочный — ровный с гладкой поверхностью. За счет изменения температуры обжига или добавления дополнительного красителя можно менять цвет (производство желтого кирпича).
- Силикатный — состоит из кварцевого песка и извести, поэтому предлагается стройматериал светлого оттенка.
- Клинкерный — изготавливается при температурах более 1100 градусов по Цельсию. Имеет цветовой градиент от красного до темного, чаще серого цвета.
- Поризованный — не требующий облицовки кирпич коричневого цвета.
Планирование собственного дома
Пример того, как можно распределить комнаты
Без чего не обойтись
Любой одноэтажный дом с тремя спальнями — это возможность выбрать быстрое или капитальное строительство из несколько интересных материалов:
- Быстрая сборка по типу «канадской технологии». Отлично подходит как раз для одного этажа, позволяет строить быстро, а само строение будет длительное время находиться в эксплуатации.
- Строительство из пеноблоков. Так же позволяет строить быстро, экономит время, а главное позволяет провести утепление по упрощенной схеме.
- Стандартное строительство с использованием кирпича. Это уже основательная работа, однако, один уровень строить намного легче.
Наиболее распространенный вариант, это строительство из кирпича или пеноблоков, и здесь придется рассмотреть самый простой проект, в котором в план одноэтажного дома с 3 спальнями войдут:
- Ленточный фундамент.
- Железобетонные перекрытия.
- При чердачном варианте потребуются деревянные стропила, при плоской крыше — гидроизоляция железобетонных перекрытий.
Простой вариант с деревянными стропилами и чердачным пространством
Что касается распределения помещений по размеру, здесь придется руководствоваться многими составляющими, ведь проект одноэтажного дома на 3 спальни предполагает, что необходимо разместить:
- Гостиную.
- Кладовку.
- Возможно, небольшое помещение под гардероб.
- Кухню.
- Столовую.
- Санузел общий или раздельный.
Как можно увеличить функциональность
Любой план одноэтажного дома с тремя спальнями показывает площадь каждого помещения.
Читать также: Проект одноэтажного дома с четырьмя спальнями – на что следует обратить внимание при выборе варианта
Соответственно можно рассмотреть полезную площадь для каждой комнаты:
- Гостиная может быть рассчитана с учетом всей семьи и максимально возможного количества гостей.
- Кухня планируется с точки зрения именно функциональности. Здесь учитывается необходимость именно удобного приготовления пищи.
- Площадь под гардеробы можно выделить в каждой из спален, а так же устроить один общий гардероб, и все это можно своими руками сделать.
- Помещение под котельную рассчитывается строго под котел и под его технологические требования
Пример проекта, в котором отдано необходимое помещение для котельной
Интересно, что привести все квадратные метры именно к функциональности помогает совмещение нескольких комнат.
Если не говорить о необычном зонировании, а остановиться на самых распространенных объединениях, то получается:
- Совмещенный санузел.
- Гостиная и кухня, или кухня и столовая. В этом варианте в любом случае можно выделить одно помещения под две зоны.
- Котельная и кладовка. Технологически совершенно неправильный вариант, однако он часто встречается в частных домах.
В частном коттедже можно идеально совместить кухню и столовую
Что интересно, такое совмещение позволяет не просто максимально использовать площадь, но и увеличивает конкретно жилую площадь, которую предоставляет одноэтажный дом с 3 спальнями.
Смысл в том, что каждое совмещение помещения означает минус перегородка или стена, а это плюс к общей площади. Даже несмотря на самые тонкие перегородки, их сечение не может быть меньше 10 см. К примеру, проект одноэтажного каркасного дома с тремя спальнями обязательно рассчитан с учетом материала, и здесь перегородки, по сути, не могут быть широкими.
Читать также: Планировка спальни – простое занятие для души, но с подтекстом
Кстати, вариант с совмещением помещений дает возможность рассматривать и смету по-другому. Цена такого совмещения естественно ниже, чем при наличии перегородок. Плюс отсутствие дверей между комнатами.
Все намного боле упрощается, если в реализацию идет проект одноэтажного дома 10х10 с тремя спальнями. Такие цифры говорят о том, что для планирования есть 100 квадратных метров, а это уже нормальная возможность организовать любое помещение практически без ущерба для его площади.
Плюс на такой площади можно не совмещать кухню и столовую, спроектировать достаточно большую гостиную, отдать необходимые квадраты под кладовую и сделать раздельными туалет и ванную.
Нельзя сказать, что есть определенная инструкция для проектирования на все случаи жизни, каждый раз, если разговор касается именно частного дома, коттеджа, проектировщик делает план, соизмеряя его с потребностями будущих владельцев.
Проект 10х10 позволяет спокойно планировать все помещения







































