ЭКОНОМИЧНАЯ СХЕМА ПОДКЛЮЧЕНИЯ ГЕНЕРАТОРА К СЕТИ
Подобная схема отличается высокой надёжностью, поскольку при её использовании риск пожара не возникает. Но назвать её самой удобной, пожалуй, нельзя.
Если вы различаете фазный и нулевой провод (имеете навыки электрика), то можете подключить генератор к сети с помощью рубильника, способного работать в одном из трёх положений (рис. 1).

В качестве такого выключателя-разъединителя можно использовать, например, переключатель IEK ВРТ-63. В зависимости от варианта исполнения он рассчитан на номинальной ток в 16, 25, 32 или 60 А. Это позволяет подключить автономные источники питания мощностью до 8,8 кВт в однофазном исполнении и около 20 кВт в трёхфазном.
Модульные трёхпозиционные переключатели могут быть одно- и двухполюсными для работы с однофазными генераторами разных типов, а также трёх- и четырёхполюсными для трёхфазных моделей электростанций.
При отключении электроэнергии сначала вам придётся запустить и прогреть на холостом ходу генератор и только потом, используя трёхпозиционный рубильник, перевести сеть потребителя на автономный источник. Когда централизованное электроснабжение восстановится, очерёдность действий будет обратной: необходимо перевести переключатель в нейтральное положе ние или через нейтральное положение на сетевое питание, после чего остановить автономную электростанцию.
Следует понимать, что аппараты типа ВРТ-63 предназначены только для коммутации. Предохранять электросеть от перегрузок и короткого замыкания должны устройства дифференциальной защиты и автоматические выключатели.
Как подключить однофазный генератор?
Вариантов подключения имеется несколько. Первый – это подсоединение агрегата к выделенной для этого группе потребителей.
Подключение напряжения в режиме ручного управления
Второй способ – это применение перекидного переключателя (рубильника) на 3 позиции 1-0-2, иначе говоря, в 1-й позиции питание берется от централизованной (городской) электрической сети, позиция рубильника 0 – электрическая цепь выключена, в позиции 2 – дом подключен к запасному источнику электроэнергии, при таком варианте – это газовый, бензиновый либо дизель-генератор.
Не сильно углубляясь в структуру приборов, заметим только, что устроен перекидной рубильник либо 3-позиционный переключатель довольно несложно и включает в себя стационарные контакты, к которым подсоединяется проводка (потребитель-город-устройство, вырабатывающее электроэнергию), и подвижные контакты, осуществляющие переключение потребителя с централизованной электросети на генератор и назад.

При переключении потребителя на генератор нам надо сделать таким образом, чтобы на все 3 фазы поступала электроэнергия.
На этот случай надо немножко модифицировать рубильник-переключатель – сделать перемычку между фазами А-В-С со стороны подсоединения прибора, вырабатывающего электроэнергию. Теперь при переключении потребителя на генератор, на все 3 фазы станет идти электроток.

Подключение потребителя через контакторы
Третий способ подключения потребителя к генератору с одной фазой – использование контакторов. При таком варианте используют 2 контактора, один для запитывания потребителя от централизованной сети, 2-й контактор нужен для подсоединения потребителя к запасному источнику электроэнергии – газовому, бензиновому либо дизель-генератору. Такой способ допустим при использовании автоматического включения резервного питания (АВР).
При запитывании потребителя от централизованной сети все 3 фазы, подсоединенные к контактору, идут на потребителя. При подсоединении генератора, как и в варианте с 3-позиционным переключателем, на зажимах контактора в области подсоединения кабеля от генератора нам нужно немножко переделать рубильник-переключатель – поставить перемычку между фазами А-В-С.

Подключение трехфазных моделей
Подключение посредством дополнительного распределительного автомата. Схема подсоединения автоматов от электролинии и генератора почти одинаковая, что дает возможность ничего не менять в функционирующей 3-фазной электрической сети. Такой подход к введению в сеть индивидуального дома считается наиболее надежным и обеспечивает эффективную работу подключенного к ней оснащения.
Для его осуществления понадобится предпринять определенные действия.
- Выключить вводной автоматический выключатель 380 В, прекратив подачу тока в дом.
- Поставить в щитке новый 4-полюсный автомат, выходные клеммы которого сопрягаются кусками проводов с входными клеммами всех линейных устройств.
- Выходной кабель генератора с 4 жилами (3 фазы и ноль) подводится к новому автомату, и каждая из них подсоединяется к надлежащей клемме.
- Если дальше по схеме инсталлировано устройство защитного отключения, при выполнении коммутаций предусматривается разводка подсоединяемых к нему проводов (каждой из 3 фаз и ноля).

Подключение посредством рубильника
Перекидной рубильник (реверсивный рубильник) является тем же переключателем, только с тремя положениями.
Центральная группа контактов выключателя, провода от которой идут прямо к потребителю, последовательно перебрасываются в сторону ввода от ВВ или к подводке генератора. В средней позиции рубильника весь дом полностью обесточен.

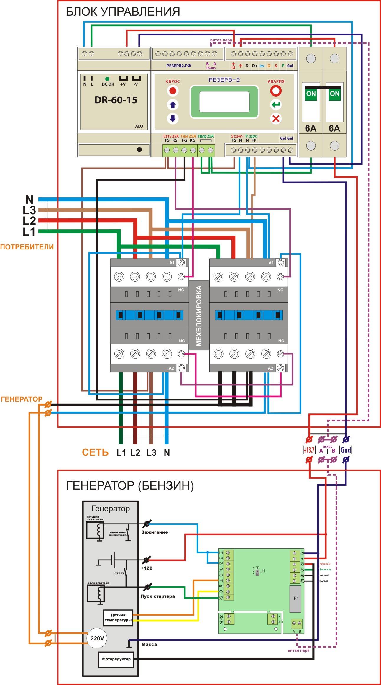
Автозапуск генератора через блок АВР
Назначение таких устройств – частично или полностью исключить участие человека в работе генератора. Есть две основные разновидности таких устройств. Первая полностью копирует систему автопереключения, которая работает на двух пускателях, но с добавлением электронного блока запуска и остановки генератора.
От магистральной линии электроснабжения к нему подводится слаботочный кабель, по которому блок получает информацию о наличии или отсутствии напряжения в сети. В зависимости от этого он подает команду двигателю на пуск или остановку, а переключения между вводом из магистральной линии или от генератора, выполняют сами пускатели. В целом, это такая же система, как и предложенная схема для самостоятельной сборки, но здесь не придется ничего выдумывать – просто установить готовый блок.
Недостаток у такого блока тот же – его назначение только запуск и остановка двигателя без дополнительной защиты.
Сама схема выглядит следующим образом:

1. Вводной автомат. 2. Счетчик электроэнергии. 3. Блок автоматического запуска генератора. 4. Генератор. 5. Реле времени. 6. УЗО. 7. Контактор основного ввода. 8. Контактор резервного ввода.
Более совершенный вариант это комплексная система, управляемая микропроцессорной электроникой. В целом она работает так же, как и самодельная система автозапуска, но ее главным преимуществом является наличие многочисленных датчиков, которые контролируют все аспекты работы генератора. Если случается какая-либо неисправность оборудования, то блок АВР сможет адекватно среагировать – не терзать генератор попытками автозапуска, а при наличии GSM-модуля и отправить владельцу сообщение о неисправности.
Сам блок АВР монтируется вместо распределительного щитка – для этого не нужно больших познаний – просто к нему надо подключить провода с магистральной линии, силовой и кабель управления от генератора и вывод в дом.

1. Вводной автомат. 2. Счетчик электроэнергии. 3. АВР. 4.Генератор. 5. Управляющий кабель. 6. Автоматы потребителей. 7. Нулевая шина. 8. Шина заземления.
Такой блок является сложным комплексом оборудования и его стоимость в некоторых случаях может равняться цене генератора. Поэтому его приобретение оправдано только в случае частых отключений электроэнергии и для достаточно мощных генераторов.

Расчет допустимой нагрузки
Выбирая генератор, следует рассчитать нагрузку, которой он будет подвергаться
Во внимание должна приниматься не только номинальная мощность всех подключаемых электроприборов, а и пусковые броски тока с возможным повышением потребления

Для каждой группы предусмотрен собственный коэффициент, на который нужно умножить номинальную мощность устройства.
- Бытовая техника (холодильник, телевизор и др.) – от 1,2 до 1,5.
- Обогреватели и лампы накаливания – 1.
- Мощное оборудование (станок, трансформатор, насос и др.) – 3.
- Ручные инструменты (электродрель, лобзик, УШМ и др.) – от 1,5 до 2.
Если сумма величин превышает допустимую мощность генератора, от использования какого-то прибора придется отказаться. Даже короткие перегрузки очень вредны. При этом генератору противопоказаны и постоянные малые нагрузки (меньше 30% от номинала). Эксплуатация «вполсилы» негативно влияет на его работоспособность.
Требования к оборудованию резервного питания
Необходимость перехода на резервный источник, как правило, вызвана либо аварийной, либо нештатной ситуацией. В связи с этим нередко все переключения осуществляются неквалифицированным персоналом и зачастую в сложных условиях — в темноте, тесноте, под открытым небом. Именно поэтому требования к резервирующему оборудованию достаточно жесткие:
Безопасность для оператора. Все резервное электрооборудование не должно иметь открытых токоведущих и движущихся частей (за исключением приводных ручек), а его металлические шасси и кожухи нужно заземлить. Отправляя даже неподготовленного человека на переключение, вы должны быть уверены, что он не попадет под напряжение и не повредит руки какими-нибудь фиксаторами или тягами, даже работая при плохом освещении.
Безопасность для электрооборудования. Схема коммутации должна быть такой, чтобы даже при не полностью или не в той последовательности выполненном переключении оператор не смог создать аварийной ситуации — подать встречное напряжение, переключить не все фазы, вызвать короткое замыкание и пр. Все это обеспечит сохранность основных и резервных цепей даже при неумелых или ошибочных действиях человека.
Оперативность. Переход на резервный генератор должен требовать минимум манипуляций и производиться по возможности быстро. Сами устройства коммутации должны быть максимально доступны, чтобы к ним не нужно было взбираться по стремянкам или лазить по люкам
Это особенно важно для ответственных объектов и специального электрооборудования (холодильные установки, системы микроклимата, котлы, печи и пр.).
Наглядность и простота. Конструкция переключателей и рубильников должна быть максимально простой, а схема переключения — наглядной и интуитивно понятной
Это существенно сокращает вероятность ошибки человека и выхода из строя оборудования. Такие схемы проще обслуживать, а ремонт при их поломке будет стоить дешевле.
Стоит отметить, что каким бы методом переключения на резервное питание вы ни пользовались, ручным или автоматическим, все условия должны быть по возможности максимально соблюдены. Ведь именно от этого будет зависеть не только обеспечение бесперебойного питания объекта, но и безопасность людей.
А что там свежего в группе ВК СамЭлектрик.ру?
Подписывайся, и читай статью дальше:
Самое главное – при работе генератора автомат №1 должен быть обязательно выключен!
Получается, что генератор теперь подключен в специальную розетку, на стене летней кухни. При работе генератора напряжение в него попадает на летнюю кухню, и затем – на автомат 2, а потом на автомат 3 и в дом.

Установлены новые защитные автоматы
В середине стоит индикатор на 220В, который подключен ДО вводного автомата, сразу после счетчика. Таким образом, я могу даже днём сразу узнать, что на улице дали свет, выключить генератор, и подключить питание с улицы автоматом 1.

Подключение автоматов
В результате, получилась такая симпатичная конструкция:

Электрощиток со счетчиком и автоматами
Схема подключения генератора к домашней сети
Главный секрет безопасности – в соблюдении этих простых правил включения генератора. Я их повесил перед счетчиком, чтобы не забыть. К тому же меня может не быть дома, жена будет включать)
1. Выключить ВВОД (автомат 1)
2. Пойти к генератору, подключить его к спец.розетке.
3. Проверить, чтобы выключатель нагрузки на генераторе был выключен. Также, чтобы вся мощная нагрузка в доме была выключена.
4. Запустить генератор, дать ему прогреться и выйти в режим не менее 30 секунд.
5. Включить автомат на генераторе.
6. Поочередно включить необходимую нагрузку.
1. О появлении напряжения на уличной линии сигнализирует красный индикатор под счетчиком.
2. Выключить мощную нагрузку
3. Выключить генератор, выключить выключатель нагрузки у него на выходе.
4. Вытащить вилку генератора из розетки.
5. Включить вводной автомат №1.
Привожу несколько фото инверторного генератора Электроприбор БЭГ-3100.

Бак для бензина. Индикатор уровня и крышка

Фильтр воздухозаборника

Топливный кран

Ручной стартер

Залив масла
Плюсы расписывать не буду, а из минусов:
1. Неудобная система заливки масла
2. Очень громкая работа. Сравнивал на ощущение, работает по громкости, как обычный генератор.
3. Отсутствие защитного автомата на выходе генератора, есть только электронная защита.
На всякий случай привожу схему генератора и чертёж.
Электрическая схема инверторного генератора Электроприбор БЭГ-3100
Сборочный чертеж и каталог запчастей инверторного генератора Электроприбор БЭГ-3100
В заключение – фото, как у нас на рынке продают картошку)

Генератор питает ларёк и весы
Тут всё проще, не надо никакой схемы подключения).
Всем спасибо за внимание, прошу голосовать за меня!
Выкладываю видео, в котором коллега подробно рассказывает, как подключать генератор к дому Рекомендую!
ЭКСТРЕННОЕ ПОДКЛЮЧЕНИЕ ГЕНЕРАТОРА
Данный метод характеризуется низкой надёжностью и высокой степенью пожароопасности, однако бывают случаи, при которых решить проблему по-другому действительно невозможно.
ВСЕ ЧТО НЕОБХОДИМО ДЛЯ ЭТОЙ СТАТЬИ НАХОДИТСЯ ЗДЕСЬ >>>
Подобная ситуация возникает нередко: смонтировать отдельную схему подключения генератора ещё не успели, но потребность в автономной электроэнергии появилась уже сейчас. Что же делать?

Остаётся только одно: подсоединить электростанцию напрямую к розетке с помощью специального шнура-удлинителя. Все розетки являются составляющими электроцепи, поэтому если через одну из них пустить ток, то напряжение появится и в других.
Итак, заводите и прогреваете установку, присоединяете её к электросети и включаете в розетки только жизненно необходимые электроприборы.
Способ подходит для небольших однофазных генераторов. Если удлинитель не оснащён встроенной защитой от перегрузок по току, необходимо проконтролировать, чтобы суммарная мощность приёмников электроэнергии не превысила пропускную способность кабеля. Один квадратный миллиметр медного проводника приблизительно соответствует нагрузке 2 кВт при напряжении 220 В. Например, к удлинителю, изготовленному из соединительного провода в изоляции (ПВС) сечением1,5 мм\ допустимо присоединять приборы до 3,5 кВт. Изделие должно быть полностью размотано, иначе может перегреться, что приведёт к его оплавлению или возгоранию.
Разновидности генераторов
Бензиновый генератор DDE GG3300P
По виду используемого в агрегате топлива все известные генераторные устройства могут быть:
- бензиновыми;
- дизельными;
- агрегатами, работающими на газу или на дровах.
Первые два варианта привлекают внимание пользователей, взявших за основу готовый двигатель, работающий на бензиновом или дизельном топливе. По своему назначению известные образцы генераторов трехфазного тока делятся на основные и резервные агрегаты
Вопрос о способах включения в бытовую сеть касается и тех и других моделей
Вопрос о способах включения в бытовую сеть касается и тех и других моделей
По своему назначению известные образцы генераторов трехфазного тока делятся на основные и резервные агрегаты. Вопрос о способах включения в бытовую сеть касается и тех и других моделей.
Организация автопереключения
Далеко не каждому понравится своими руками менять положение рубильника в случае отключения внешнего электричества. Чтобы не пришлось постоянно следить за тем, когда ток перестанет поступать от магистрали, стоит организовать простую систему автопереключения. С ее помощью, как только будет запущен бензогенератор, удастся сразу организовать переход к резервному источнику.
Чтобы смонтировать автоматическую систему переключения рубильника, необходимо будет запастись двумя пусковыми устройствами с перекрестным подключением. Они называются контакторами. Их работа задействует два вида контактов:
- силовые;
- нормально замкнутые.


Дополнительно потребуется купить реле времени, если хочется предоставить генератору несколько минут на прогревание перед началом работы.
Принцип действия контактора прост. Когда подача электричества на внешней линии восстанавливается, его катушка блокирует доступ к силовым контактам и открывает доступ к нормально замкнутым.
Исчезновение напряжения приведет к обратному действию. Устройство заблокирует нормально замкнутые контакты и запустить реле времени. Спустя определенный временной промежуток генератор начнет вырабатывать электричество, подавая необходимое напряжение. Оно тут же будет направлено на контакты резервного хода.


Такой принцип работы позволит своевременно организовать блокировку контактов внешней сети и обеспечит подачу электричества мобильной станцией. Как только подача напряжения от магистрали восстановится, в работу включится катушка основного пускателя. Ее действие замкнет силовые контакты, и это приведет к автоматическому отключению генератора.


О том, как безопасно подключить бензогенератор, смотрите в следующем видео.
Схемы с АВР
Подключение генератора Генератор должен быть хорошо защищен от влаги. Данный тип подключения бензинового или дизельного генератора к существующему объекту позволяет подключить генератор, как с ручным запуском, так и генераторы оборудованные электростартером.
Широкое распространение получили бензиновые генераторы. Трехфазные двигатели на генераторах малой мощности используются очень редко в частных домах из-за своей дороговизны и непрактичности, такие генераторы обычно используют на стройках для подключения трехфазного оборудования и машин. На следующем этапе требуется запустить вручную генератор.
Есть стационарные варианты, которые рассчитаны на очень большую нагрузку. Нестабильная подача электроэнергии приводит к проблеме — как подключить генератор к домашней сети.
При использовании однофазного генератора следует учесть, что если есть трехфазные приборы, их необходимо отключить от питания на время работы от генератора, так как это может привести к выходу из строя данных приборов. Некоторые хозяева используют частичную автоматизацию — основное питание подключено через контактор. В этом случае можно обеспечить питание всех розеток и выключателей в доме, если проводка рассчитана на мощность генератора. Когда восстановится напряжение во внешней сети, резерв отключается и домашняя сеть переходит в обычный режим работы.
В случае же применения блока автоматического запуска генератором — АВР, без использования контакторов вам не обойтись. Для реализации этого алгоритма потребуются четыре временных реле, столько же электромагнитных пускателей и магнитных толкателей с выключателями на концах.

Перед тем как подключить генератор к сети дома с автозапуском, автоматика выжидает 10 секунд после потери напряжения. Если напряжение пропадает, контактор размыкает цепь, которая связываем АВР со стационарной электросетью. Установка двух контакторов, где один подключает питание от городской сети, а другой — от резервного источника. При этом не забыть о заземлении, для которого также предусматривается определенное место.
Подключение генератора с АВР к сети дома — это удобное решение, хотя и дорогостоящее. При этом отключаются автоматы, чтобы обезопасить приборы от центральной сети питания.
На следующем этапе требуется запустить вручную генератор. В некоторых случаях есть возможность использовать генератор в качестве подпитки при возникновении пиковых нагрузок. Теперь, в случае переключения нагрузки на генератор, на все три фазы будет поступать электричество. Подключается рассматриваемое оборудование всегда после счетчика, иначе придется платить и за резервный источник энергии. Использование автозапуска Чтобы упростить перевод дома на резервное электроснабжение, рекомендуем подключить генератор к сети дома через АВР — систему автозапуска.
Подключение генератора к домашней сети.Схема.
Правила безопасности при использовании домашней электростанции
Соблюдение правил убережет от замыканий, травмирования и т. д.:
- Если станция находится в жилом помещении, то хорошая вентилируемость – первое, что нужно обеспечить. Если же генератор большой мощности, то его следует выставлять на улицу.
- Лучше спрятать станцию от неблагоприятного воздействия погоды, в частности, осадков и влажности.
- При креплении контактов не оставляйте оголенные участки проводов.
- Генераторы на топливе не должны находится рядом с высокими температурами.
Разлитое топливо тщательно вытирают. Перед дозаправкой агрегата выключайте его.
Избегайте контактов с работающим генератором. Не подходите в развивающихся одеждах, ведь вентилятор внутри может затягивать ткань, клеенку и т.д.
Заземление обязательно для дизельных и бензогенераторов.
Как правильно сделать заземление генератора
Для заземления домашней электростанции нужно всего лишь небольшой металлический прут (диаметр -15 мм) и такая же трубка (диаметр – 50 мм, по 1,5 м в длину оба изделия), а также листовое оцинкованное железо (500 мм*1000 мм).
Предварительно разобравшись в особенностях разных видов паяльников, припоев, сделав необходимую подготовку к процессу пайки и придерживаясь всех мер по безопасности — только тогда мастер-любитель может смело утверждать, что знает, как правильно паять паяльником.
Пайка до сих пор является основным методом для создания различных схем. Как не ошибиться с выбором нужного паяльника — поможет эта статья. А здесь можно узнать, как собрать такой инструмент в домашних условиях.
Прочные крепления на обоих концах прута от генератора к трубе в земле гарантируют, что при возможном напряжении их не сорвет потоком мощности. Трубка воткнута глубоко в землю, которая должна быть постоянно влажной, на всю длину. Оставляем только 7-10 см сверху.
Пользуйтесь электрическими приборами правильно!
Как правильно выбрать трехфазный генератор
Дизельный генератор трехфазный PACIFIC I T16K, SDMO (Франция) 11,6 кВт
При выборе фирменных агрегатов придется учесть следующие характеристики:
- вид энергоносителя;
- выходная мощность устройства;
- наличие дополнительных функций.
Вид топлива выбирается с учетом конкретных условий эксплуатации (удобства хранения горючего в жилом доме). Выходная мощность приобретаемого агрегата подбирается с учетом предполагаемой нагрузки, этот показатель варьируется от 5 до 6 кВт на каждую однофазную ветвь
При знакомстве с дополнительным функционалом особое внимание уделяется следующим возможностям:
- регулировка параметров 3-х фазного напряжения (его формы, в частности);
- возможность подключения дополнительных линий (нагрузочная способность);
- наличие электромагнитного реле-регулятора.
Категорически нельзя
- Подключать генератор через обычную домовую розетку проводом вилка-вилка с отключением вводного автомата. Почему? Отвечаем:
- Мощность самых популярных генераторов для частных домов как правило находится в границах от 5-6.5кВт. Бытовая розетка, при правильном монтаже, способна держать нагрузку до 16А (~3,5кВт), а при неправильном (не ГОСТовский провод, сечение менее 2.5 кв.см., китайская розетка, слабые контактные соединения и т.п.) 10А и менее. При повышении нагрузки возникает пожароопасная ситуация.
- По ГОСТу (12.2.007.0-75 п.3.1.7) в электромонтаже не допускается наличие неизолированных токоведущих частей, а при использовании подключения вилка-вилка мы имеем возможность наличия опасного напряжения на одной из вилок.
- Эта схема допускает механическую возможность подачи встречного напряжения на генератор, что приведет к выходу его из строя. Это возможно в том случае, если при работающем генераторе, один из домочадцев включит вводной автомат, зная, что появилось напряжение от сети.
Запрещается подключать генератор через распределительный щит с использованием схемы переключения на автоматах. Давайте посмотрим на пример, который нам довелось встретить на практике:
Неправильная схема подключения генератора
Опустим по качеству сборки этого щита. Чем опасна такая схема? При одновременном включении двух автоматов (в данном случае слева внизу “Ввод” и “Внешн.роз и генер”.) мы получаем встречное напряжение на линию генератора, что приводит к его выходу из строя. Включить сразу два автомата может непосвященный в схему член семьи или задумавшийся о смысле жизни хозяин дома. Необходимо использовать трехпозиционные реверсивные рубильники I-0-II (например, ABB OT40F3C)
Категорически нельзя подключать один из выходов генератора на общую нейтральную шину при отсутствии повторного заземления нейтрали в основном щите (схема ТТ) и/или на столбе и/или в шкафу учета. Такое заземление, как правило, отсутствует в старых СНТ или в поселках с нарушением норм прокладки силовых линий. Нарушая это правило, мы на “общественную” нейтраль отдаем опасное напряжение полуфазы с выхода нашего генератора. Это может привести к электротравмам у ваших соседей и работающих на линии электриков. Как определить, есть ли повторное заземление? Заземление нейтрали делается либо наверху столба через вывод арматуры, либо на стальную ленту, которая идёт вдоль столба и уходит в землю. Один из примеров схемы с заземлением нейтрали на столбе и организацией зазмеление по схеме TN-C-S
Заземление нейтрали во ВРУ
Это интересно: Схема подключения однофазного счетчика электроэнергии
Необходимый минимум для подключения генератора
Впрочем, для технически правильного подключения генератора к домашней электросети нужно не так много. В первую очередь — обеспечить отдельный ввод. Его рекомендуется выполнять медным кабелем высокого сечения (не менее 4 мм2) и прокладывать от вводно-распределительного устройства до специально оборудованного места установки генератора.

Также понадобится перекидной рубильник. Для бытовых нужд в последнее время появилось много вариантов подобных устройств в модульном исполнении для монтажа на 35 мм DIN-рейку. Навскидку можно предложить целый ряд устройств. От наиболее дешёвых изделий марки TDM-63 до более добротных и надёжных устройств серии E200 от ABB или SFB от Hager.
Устройства имеют простейшую схему включения и принцип работы. На нижние контакты, как правило, подключают общую шину отходящих нагрузок. С обратной стороны, там, где контакты парные, подключают два отдельных ввода. Клавиша переключения имеет три положения, в среднем все цепи разомкнуты. Практически во всех сериях устройства могут быть многополюсными, что значительно облегчит работу с трёхфазной сетью и сложной системой заземления/зануления.

Важно помнить, что трёхпозиционный (перекидной) рубильник работает по принципу выключателя нагрузки, в нём не предусмотрено ни теплового, ни электромагнитного расцепителя. Поэтому каждый ввод нужно дополнительно защищать автоматом, предельный ток которого определяется допустимой нагрузкой на питающую линию.. Простейшее перекидное устройство можно изготовить и самому из пары двухполюсных автоматов одного и того же производителя
Их нужно поставить рядом, один перевернуть вверх ногами, а затем сцепить вместе клавиши, вставив стальной штифт в штатное отверстие.
Простейшее перекидное устройство можно изготовить и самому из пары двухполюсных автоматов одного и того же производителя. Их нужно поставить рядом, один перевернуть вверх ногами, а затем сцепить вместе клавиши, вставив стальной штифт в штатное отверстие.






































